
-
Used For
-
Used On
-
Also Called
Coolroom Sliding Doors Variations
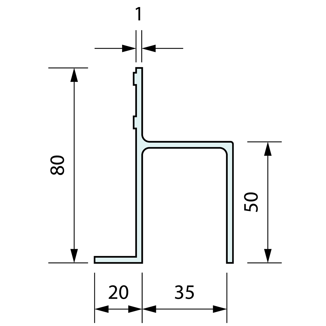
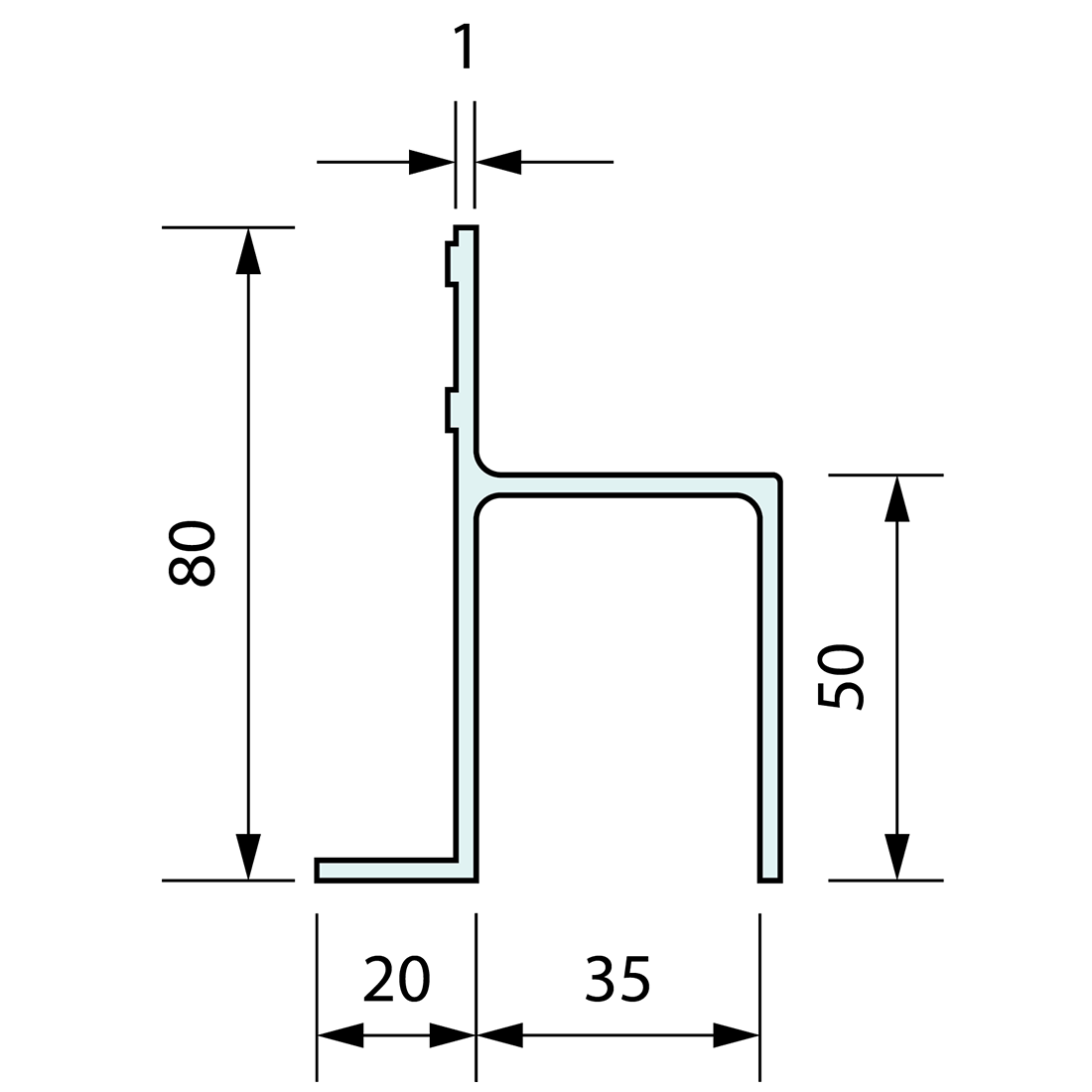
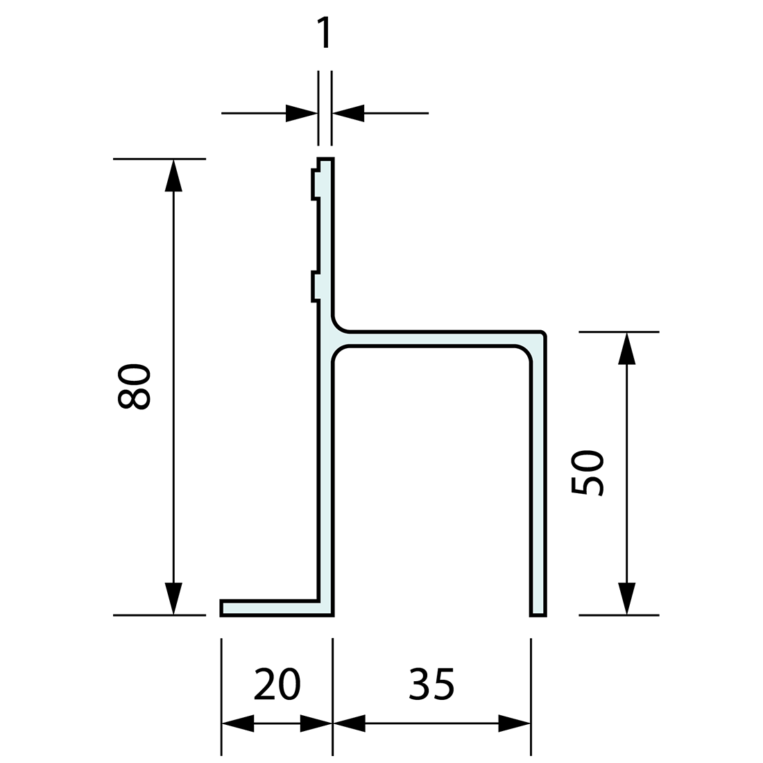
Selected product
Code: 5519
Sliding Door Guide Track with Leg 81x57mm x 5m
Regular price
$159.21
Regular price
Sale price
$159.21
Unit price
per
