
-
Used For
-
Used On
-
Also Called
Extruded Rubber Channel Strips Variations
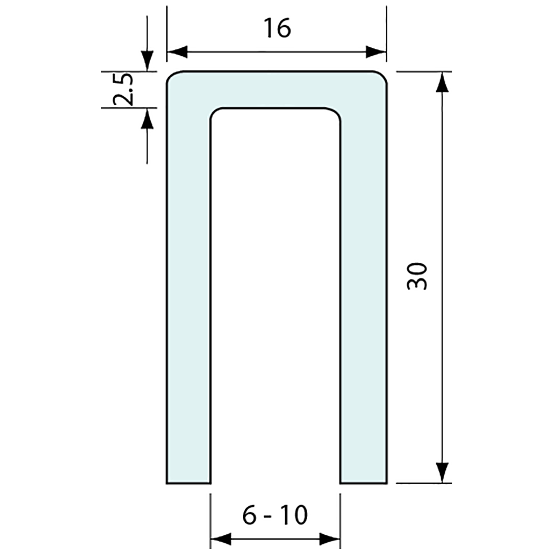
Selected product
Code: 1197-2m
Channel Strip Rubber 6 to 10mm Panel
Regular price
From $37.96
Regular price
Sale price
From $37.96
Unit price
per
